
|
公称通径
|
DN(mm)
|
50~2000
|
||
|
公称压力
|
PN(MPa)
|
0.6
|
1.0
|
1.6
|
|
试验压力
|
强度试验
|
0.9
|
1.5
|
2.4
|
|
密封试验
|
0.66
|
1.1
|
1.76
|
|
|
气密封试验
|
0.6
|
0.6
|
0.6
|
|
|
适用温度
|
≤80℃
|
|||
|
适用介质
|
空气、水、蒸气、煤气、油品等。
|
|||
|
驱动形式
|
手动、蜗杆蜗轮传动、气传动、电传动。
|
|||
三、主要零件的材质:
|
零件名称
|
材料
|
|
阀体
|
铸铁、铸钢、不锈钢、铬钼钢、合金钢
|
|
蝶板
|
铸钢、合金钢、不锈钢、铬钼钢
|
|
密封圈
|
橡胶、聚四氟、聚内脂、不锈钢
|
|
阀杆
|
2Cr13、不锈钢、铬钼钢
|
|
伸缩管
|
铸铁、铸钢、不锈钢、铬钼钢
|
|
填料
|
柔性石墨
|
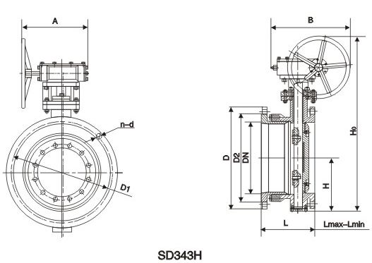
四、主要外形连接尺寸:
|
公称通径 DN
|
外形尺寸(参考值)
|
法兰尺寸和螺栓孔尺寸(标准值)
|
||||||||||||||||||
|
H
|
H1
|
设计 最大 长度
|
设计
最小长度 |
设计
长度 L |
A
|
B
|
O.6MPa
|
1.OMPa
|
1.6MPa
|
|||||||||||
|
毫米
|
英寸
|
D
|
D1
|
D2
|
n.d
|
D
|
D1
|
D2
|
n.d
|
D
|
D1
|
D2
|
n-d
|
|||||||
|
50
|
2
|
80
|
309
|
169
|
142
|
150
|
180
|
200
|
140
|
110
|
88
|
4.14
|
165
|
125
|
99
|
4-18
|
165
|
125
|
99
|
4-18
|
|
65
|
21/2
|
95
|
337
|
186
|
159
|
170
|
180
|
200
|
160
|
130
|
108
|
4.14
|
185
|
145
|
118
|
4-18
|
185
|
145
|
118
|
4-18
|
|
80
|
3
|
98
|
347
|
194
|
167
|
180
|
180
|
200
|
190
|
150
|
124
|
4.18
|
200
|
160
|
132
|
8-18
|
200
|
160
|
132
|
8-18
|
|
100
|
4
|
114
|
373
|
219
|
188
|
190
|
180
|
200
|
210
|
170
|
144
|
4.18
|
220
|
180
|
156
|
8-18
|
220
|
180
|
156
|
8-18
|
|
125
|
5
|
128
|
405
|
225
|
195
|
200
|
180
|
200
|
240
|
200
|
174
|
8.18
|
250
|
210
|
184
|
8-18
|
250
|
210
|
184
|
8-18
|
|
150
|
6
|
139
|
440
|
240
|
205
|
210
|
270
|
280
|
265
|
225
|
199
|
8-18
|
285
|
240
|
211
|
8-22
|
285
|
240
|
211
|
8-22
|
|
200
|
8
|
174
|
612
|
259
|
219
|
230
|
400
|
425
|
320
|
280
|
254
|
8-8
|
340
|
295
|
266
|
8-22
|
340
|
295
|
266
|
12-22
|
|
250
|
10
|
215
|
693
|
384
|
239
|
250
|
400
|
425
|
375
|
335
|
309
|
12-18
|
395
|
350
|
319
|
12-22
|
405
|
355
|
319
|
12-26
|
|
300
|
12
|
245
|
747
|
309
|
259
|
270
|
450
|
560
|
440
|
395
|
363
|
12-22
|
445
|
400
|
370
|
12-22
|
460
|
410
|
370
|
12.26
|
|
350
|
14
|
270
|
802
|
328
|
275
|
290
|
450
|
560
|
490
|
445
|
413
|
12-22
|
505
|
460
|
429
|
16-22
|
520
|
470
|
429
|
16-26
|
|
400
|
16
|
305
|
991
|
347
|
287
|
310
|
535
|
580
|
540
|
495
|
463
|
16-22
|
565
|
515
|
480
|
16-26
|
580
|
525
|
480
|
16-30
|
|
450
|
18
|
325
|
1037
|
378
|
318
|
330
|
535
|
580
|
595
|
550
|
518
|
16-22
|
615
|
565
|
530
|
20-26
|
640
|
585
|
548
|
20-30
|
|
500
|
20
|
360
|
1127
|
399
|
339
|
350
|
535
|
580
|
645
|
600
|
568
|
16-22
|
670
|
620
|
582
|
20-26
|
715
|
650
|
609
|
20-33
|
|
600
|
24
|
445
|
1377
|
430
|
362
|
390
|
570
|
660
|
755
|
705
|
667
|
20-26
|
780
|
725
|
682
|
20-30
|
840
|
770
|
720
|
20-36
|
|
700
|
28
|
505
|
1496
|
469
|
399
|
430
|
750
|
550
|
860
|
810
|
772
|
24-26
|
895
|
840
|
794
|
24-30
|
910
|
840
|
794
|
24-36
|
|
800
|
32
|
560
|
1584
|
529
|
454
|
470
|
750
|
550
|
975
|
920
|
878
|
24-30
|
1015
|
950
|
901
|
24-33
|
1025
|
950
|
901
|
24-39
|
|
900
|
36
|
630
|
1676
|
569
|
494
|
510
|
750
|
550
|
1075
|
1020
|
978
|
24-30
|
1115
|
1050
|
1001
|
28-33
|
1125
|
1050
|
1001
|
28-39
|
|
1000
|
40
|
680
|
1760
|
608
|
534
|
550
|
900
|
750
|
1175
|
1120
|
1078
|
28-30
|
1230
|
1160
|
1112
|
28-36
|
1255
|
1170
|
1112
|
28-42
|
|
1200
|
48
|
795
|
2018
|
720
|
614
|
630
|
1000
|
925
|
1405
|
1340
|
1295
|
32-33
|
1455
|
1380
|
1328
|
32-39
|
1485
|
1390
|
1328
|
32-48
|
|
1400
|
56
|
900
|
2363
|
747
|
665
|
710
|
1000
|
925
|
1620
|
1560
|
1510
|
36-36
|
1675
|
1590
|
1530
|
36-42
|
1685
|
1590
|
1530
|
36-48
|
|
1600
|
64
|
1100
|
2723
|
850
|
745
|
790
|
1000
|
925
|
1820
|
1760
|
1710
|
40-36
|
1915
|
1820
|
1750
|
40-48
|
1930
|
1820
|
1750
|
40-56
|
|
1800
|
72
|
1124
|
2844
|
920
|
820
|
870
|
1100
|
980
|
2045
|
1970
|
1718
|
44-39
|
2115
|
2020
|
1950
|
44-48
|
2130
|
2020
|
1950
|
44-56
|
|
2000
|
80
|
1292
|
3127
|
1010
|
900
|
950
|
1100
|
980
|
2265
|
2180
|
2125
|
48-42
|
2325
|
2230
|
2150
|
48-48
|
2345
|
2230
|
2150
|
48-62
|