 
		

| 
					结构形式 | 
					BB-BG-OS Y | 
| 
					驱动方式 | 
					手动 | 
| 
					电动 | |
| 
					设计标准 | 
					GB12235 | 
| 
					结构长度 | 
					GB12221 | 
| 
					连接法兰 | 
					GB9113、JB/T79、HG20596 | 
| 
					试验和检验 | 
					JB/T 9092、GB/T13927 | 
| 
					公称压力 (MPa) | 
					壳体试验压力 (MPa) | 
					密封试验压力 (MPa) | 
					适用温度 (℃) | 
| 
					1.6 | 
					2.4 | 
					1.76 | 
					≤350℃ | 
| 
					2.5 | 
					3.75 | 
					2.75 | |
| 
					4.0 | 
					6.0 | 
					4.4 | |
| 
					6.4 | 
					9.6 | 
					7.04 | 
| 
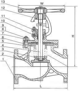
					序号 | 
					名称 | 
					材质 | 
| 
					1 | 
					阀体 | 
					WCB、WC6、WC9、C5 CF8、CF8M、CF3、CF3M | 
| 
					2 | 
					阀瓣 | 
					25、1Cr13、2Cr13 1Cr18Ni9Ti、 0Cr18Ni12Mo2Ti 20Cr1Mo1V、25Cr2MoV | 
| 
					3 | 
					轴销 | 
					25、1Cr13、2Cr13 1Cr18Ni9Ti、 0Cr18Ni12Mo2Ti 20Cr1Mo1V、25Cr2MoV | 
| 
					4 | 
					阀杆 | 
					25、1Cr13、2Cr13 1Cr18Ni9Ti、 0Cr18Ni12Mo2Ti 20Cr1Mo1V、25Cr2MoV | 
| 
					5 | 
					波纹管组件 | 
					1Cr18Ni9Ti、304、316、304L、316L | 
| 
					6 | 
					垫片 | 
					柔性石墨+不锈钢、PTFE | 
| 
					7 | 
					阀盖 | 
					WCB、WC6、WC9、C5 CF8、CF8M、CF3、CF3M | 
| 
					8 | 
					双头螺栓 | 
					0Cr18Ni9Ti、0Cr18Ni12Mo2Ti 35CrMoV、25Cr2MoV | 
| 
					9 | 
					六角螺母 | 
					0Cr18Ni9Ti、0Cr18Ni12Mo2Ti 35CrMoV、25Cr2MoV | 
| 
					10 | 
					填料 | 
					柔性石墨 | 
| 
					11 | 
					填料压盖 | 
					WCB、WC6、WC9、C5 CF8、CF8M、CF3、CF3M | 
| 
					12 | 
					阀杆螺母 | 
					铜合金 | 
| 
					13 | 
					手轮 | 
					WCB、QT400-18 | 
| 
					型号 | 
					J41F-16 | ||||||||||||||
| 
					压力等级 | 
					PN16 | ||||||||||||||
| 
					口径 | 
					15 | 
					20 | 
					25 | 
					32 | 
					40 | 
					50 | 
					65 | 
					80 | 
					100 | 
					125 | 
					150 | 
					200 | 
					250 | 
					300 | 
					350 | 
| 
					L | 
					130 | 
					150 | 
					160 | 
					180 | 
					200 | 
					230 | 
					290 | 
					310 | 
					350 | 
					400 | 
					480 | 
					600 | 
					730 | 
					850 | 
					980 | 
| 
					H | 
					190 | 
					195 | 
					225 | 
					260 | 
					280 | 
					310 | 
					340 | 
					395 | 
					435 | 
					470 | 
					535 | 
					590 | 
					630 | 
					680 | 
					720 | 
| 
					W | 
					120 | 
					140 | 
					140 | 
					180 | 
					200 | 
					220 | 
					260 | 
					280 | 
					300 | 
					340 | 
					400 | 
					450 | 
					450 | 
					500 | 
					500 | 
| 
					重量(Kg) | 
					5 | 
					5 | 
					5.5 | 
					11 | 
					13.5 | 
					19 | 
					26 | 
					36 | 
					46 | 
					74 | 
					102 | 
					168 | 
					270 | 
					420 | 
					620 | 
| 
					型号 | 
					J41F-25 | ||||||||||||||
| 
					压力等级 | 
					PN25 | ||||||||||||||
| 
					口径 | 
					15 | 
					20 | 
					25 | 
					32 | 
					40 | 
					50 | 
					65 | 
					80 | 
					100 | 
					125 | 
					150 | 
					200 | 
					250 | 
					300 | 
					350 | 
| 
					L | 
					130 | 
					150 | 
					160 | 
					180 | 
					200 | 
					230 | 
					290 | 
					310 | 
					350 | 
					400 | 
					480 | 
					600 | 
					730 | 
					850 | 
					980 | 
| 
					H | 
					190 | 
					195 | 
					225 | 
					260 | 
					280 | 
					310 | 
					340 | 
					395 | 
					435 | 
					470 | 
					535 | 
					590 | 
					630 | 
					680 | 
					720 | 
| 
					W | 
					120 | 
					140 | 
					140 | 
					180 | 
					200 | 
					220 | 
					260 | 
					280 | 
					300 | 
					340 | 
					400 | 
					450 | 
					450 | 
					500 | 
					500 | 
| 
					重量(Kg) | 
					5 | 
					5 | 
					5.5 | 
					11 | 
					14 | 
					20 | 
					27 | 
					37 | 
					48 | 
					77 | 
					105 | 
					172 | 
					3100 | 
					520 | 
					690 | 
| 
					型号 | 
					J41F-40 | ||||||||||||||
| 
					压力等级 | 
					PN40 | ||||||||||||||
| 
					口径 | 
					15 | 
					20 | 
					25 | 
					32 | 
					40 | 
					50 | 
					65 | 
					80 | 
					100 | 
					125 | 
					150 | 
					200 | 
					250 | 
					300 | 
					350 | 
| 
					L | 
					130 | 
					150 | 
					160 | 
					180 | 
					200 | 
					230 | 
					290 | 
					310 | 
					350 | 
					400 | 
					480 | 
					600 | 
					730 | 
					850 | 
					980 | 
| 
					H | 
					190 | 
					195 | 
					225 | 
					260 | 
					280 | 
					310 | 
					340 | 
					395 | 
					435 | 
					470 | 
					535 | 
					590 | 
					630 | 
					680 | 
					720 | 
| 
					W | 
					120 | 
					140 | 
					140 | 
					180 | 
					200 | 
					220 | 
					260 | 
					280 | 
					300 | 
					340 | 
					400 | 
					450 | 
					450 | 
					500 | 
					500 | 
| 
					重量(Kg) | 
					5 | 
					5 | 
					5.5 | 
					11 | 
					14.5 | 
					21 | 
					28 | 
					39 | 
					50 | 
					80 | 
					108 | 
					176 | 
					350 | 
					590 | 
					790 |